
文章图片

文章图片

文章图片

对很多朋友来说 , 好不容易买了房子 , 花费了不少的钱 , 但是装修却还要一笔不少的钱 , 当然 , 装修房子的程度不一样 , 价格也会不一样 。 精美的房子谁都会喜欢 , 但是过多的装饰只会显得很鸡肋 , 不仅花费了钱财 , 而且对生活上增添了许多麻烦 , 钱要花费在刀刃上 , 在保证质量的同时 , 更多的是有实际的用途 , 哪些装修是不需要装的呢?下面给大家建议客厅的“5不装” 。
1、硅藻泥不必装
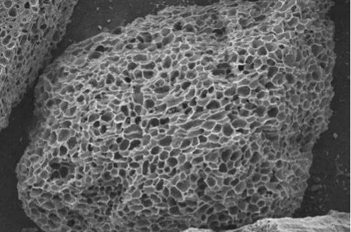
很多人在装修时 , 认为硅藻泥一种天然环保材料 , 达到装饰和净化空气的作用 , 虽说能有效隔绝噪音 , 但是说有净化甲醛作用 , 这个就有过大的吹嘘硅藻泥了 , 下面是硅藻泥被放大100倍的效果图 , 可以看到有很多细小的孔 , 也许能吸附甲醛 , 但是说到净化甲醛的效果是没法达到的 , 因为物理只能有效的吸附或者稀释甲醛 , 只有化学作用才能有效分解甲醛 , 所以能净化甲醛 , 是商家为了卖出更多的硅藻泥 , 夸大硅藻泥的作用而已 。
2、不装酒柜 , 展示柜
对于装有酒柜的朋友 , 也许一开始装的时候 , 都会欣喜惹狂的 , 但是过段时间你就会发现 , 偌大的开放式柜子的摆放就是一种摆设 , 不仅占地方不说 , 而且容易积灰 , 打扫柜子的时候 , 让人奔溃 。 如果你是爱喝酒的人 , 可单独摆放一个小的酒柜 , 这样可以很好的清扫 , 摆放、拿起酒瓶也方便 。
3、不装地毯
在冬天的时候 , 不管是在南方还是北方 , 地毯发挥着很好保暖性 , 不用担心再面对寒冷的地板 , 还有着吸音和隔音的效果 , 但是并不适合家用 , 因为不管是什么地毯 , 肯定会有缝隙 , 而且不耐脏 , 造成很多细菌 , 螨虫的滋生 , 特别是有小孩的家庭更加是不利的 , 如果小孩不小心摔倒摩擦受伤后 , 伤口容易出现感染 , 小孩天生抵抗力低 , 生病了可划不来 。 而一些喜欢养有毛的宠物 , 那就更加不建议了 , 因为到了宠物脱毛的季节 , 掉落在地毯的毛发可不是能轻松打扫的 。
4、不装开口向上的吊灯具
虽说餐厅或者客厅少不了灯具的照明 , 但是开口向上的灯具是不建议装的 , 虽说炫彩缤纷 , 造型新颖 , 透光性和耐高温性能好 , 但是缺点也是很明显 , 容易积灰 , 我们都知道蚊虫都喜欢追随灯光的地方 , 所以还会留下不少蚊虫的尸体 , 清扫灯具就会变得异常的困难 。 而且晶莹剔透的灯具 , 虽说有很好的透光性 , 但是对于一些视力不好的人 , 特别是小孩 , 无疑是得不偿失的 。 建议有条件的人 , 可以考虑在客厅安装吸顶灯 , 不仅外观炫酷 , 现代化风格 , 而且灯光适宜 , 能很好保护小孩子的视力
5、不装投影电视
虽说投影电视性价比很高 , 便于观看影视 , 但是体积大不宜于搬运 , 而且一种烧钱的科技 , 并不适合刚装修的时候 , 如果你是一位电影爱好者 , 且条件不错的话 , 可按照自身条件购买 。
特别声明:本站内容均来自网友提供或互联网,仅供参考,请勿用于商业和其他非法用途。如果侵犯了您的权益请与我们联系,我们将在24小时内删除。
