防烟系统和排烟系统的构成,一篇文章讲清楚!

文章图片

文章图片

文章图片

文章图片

文章图片

文章图片

文章图片

文章图片

文章图片

文章图片

文章图片

文章图片

文章图片

文章图片

文章图片

\">
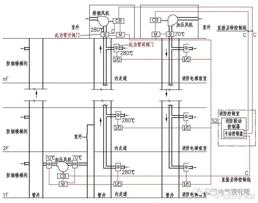
说到防烟排烟系统的构成 , 估计很多电气设计人员一时半会都说不出来!其实防、排烟系统主要包括两部分的 , 一是防烟系统起防烟作用的各个系统 , 比如正压送风系统 , 就是在一定的空间维持比较高的压力 , 让烟气无法进入 , 高层建筑的楼梯间、电梯前室都有这种系统 。 二是起排烟作用的各个系统 , 如排烟系统、补风系统就是在一定的防火分区内 , 通过补充外界空气 , 排出建筑物内的烟气达到一定的消防防火功能 。
防排烟系统一般由风机、风阀、风管、风口组成 , 防排烟系统与通风空调的其他系统不同 , 必须参与消防联动 , 在消防验收中也是重要的验收内容 。 而不少电气设计人员都傻傻分不清楚 。 因此 , 对于它们的作用防烟排烟系统的作用和结构是每个设计人员都有必要了解一下的 。 下面就跟着小编一起来了解防烟系统和排烟系统的构成吧!
(1)防烟系统概述
特别声明:本站内容均来自网友提供或互联网,仅供参考,请勿用于商业和其他非法用途。如果侵犯了您的权益请与我们联系,我们将在24小时内删除。
