led灯的色温由哪些因素决定1、光源的颜色常用色温这一概念来表示 。光源发射光的颜色与黑体在某一温度下辐射光色相同时 , 黑体的温度称为该光源的色温 。在黑体辐射中 , 随着温度不同,光的颜色各不相同,黑体呈现由红——橙红——黄——黄白——白——蓝白的渐变过程 。某个光源所发射的光的颜色 , 看起来与黑体在某一个温度下所发射的光颜色相同时,黑体的这个温度称为该光源的色温 。“黑体”的温度越高,光谱中蓝色的成份则越多,而红色的成份则越少 。
2、色温主要是和荧光粉的选择和配比比例相关的 。同一款芯片,能做出冷白,也能做出暖白 , 色温的不同,关键看选择的荧光粉类型和配置荧光粉的比例 。有专门的正白荧光粉和做暖白的红粉供你选择 。
(1)暖白,也就是warm
white,色温通常在2500K-3700K之间;
(2)自然白,natural
white,色温通常在3700K-4750K之间;
【led色温控制原理,一颗LED灯为什么可以发出7种颜色控制原理是什么】(3)正白,cool
white色温在4750K-7000K以上 , 也有8000K-10000K的 。

文章插图
led灯色温是什么意思光源色温不同,光色也不同:
色温在 3300K 以下,光色偏红给以温暖的感觉;有稳重的气氛,温暖的感觉;
色温在 3000--6000K 为中间 , 人在此色调下无特别明显的视觉心理效果 , 有爽快的感觉;故称为 " 中性 " 色温;
色温超过 6000K ,光色偏蓝,给人以清冷的感觉 。
a. 色温与亮度 高色温光源照射下,如亮度不高则给人们有一种阴气的气氛;低色温光源照射下,亮度过高会给人们有一种闷热感觉 。
b. 光色的对比 在同一空间使用两种光色差很大的光源 , 其对比将会出现层次效果,光色对比大时 , 在获得亮度层次的同时 , 又可获得光色的层次 。
采用低色温光源照射 , 使红色具有鲜艳感;
采用中色温光源照射,使蓝色具有清凉感;
采用高色温光源照射 , 使物体有冷的感觉 。

文章插图
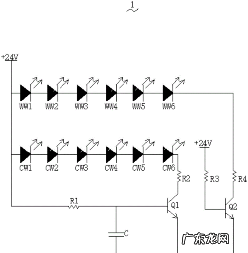
LED调色温原理白光LED主要有三种:
1、蓝光LED激发黄色荧光粉产生白光
2、紫外光LED激发RGB(红、绿、蓝)三波长萤光粉来产生白光 。
3、红LED、绿LED、蓝LED直接混合产生白光 。
如果可调色温 , 应该是上述第3种LED 。
其原理就象不同颜色的颜料混合 , 产生新的颜色一样 。
不会影响灯具的寿命 。

文章插图
Led显示屏刷新率你好
LED显示屏这些参数都是很重要的核心参数
你应该是知道这些参数非常重要,所以想要了解,这里帮你解答一下
刷新频率
刷新频率非常关键,LED显示屏质量越好刷新频率也就是越高,也就是常说的高刷,很多生产厂家都对外宣称刷新频率是可以调节的,这个说法没错,但是用户却很容易理解错误
因为可调节 , 是指在订做的时候就需要说明需要达到多少刷新频率,然后厂家按照客户的要求来调节好刷新频率,一般显示屏的型号都有一个刷新频率范围的,调节幅度也是有限的 。
如果客户理解为是随时随地都可以自由的调节刷新频率的话,那就理解错误了,这是不能的
灰度等级
这个是由灯芯厂家出场就设置好的 , 没有什么可调节的,因为没有行业标准,所以都是乱写的数据,按照RGB三色来算 , 单色的灰度等级最高为256级,如果三色混合那就千变万化了
色温
色温其实不是最关键的,因为色温和白平衡是息息相关的,相对重要的是白平衡 , 色温一般都是在3200-9000K之间,白平衡就是在LED显示屏中内置了一块检测色温的区域,当区域色温过高或者过低的时候,就通过降低RGB某一通道的值来平衡色调从而达到平衡色温的目的
通常我们人眼所能接受最合适的色温都是在5000K左右的,也许很多厂家设定的值会不一样,但是大多相差不大的
亮度
亮度这个相信比较好理解了的,一般室内的LED显示屏亮度会偏低,而户外的则偏高 , 现在随着国家的一些规则出台,亮度已经不是越高越好了,尤其是在一二线城市
现在亮度的可自动调节也是内定在控制软件中的,这也是为了适应全国地方政策的,显示屏亮度太高对百姓影响确实很大,很多机构、政府等招标文件都有明确限定亮度的

文章插图
- 节能灯和led灯的区别,节能灯和led灯的区别
- 单反色温怎么调,单反相机色温怎么调
- 显示器色温是什么意思,色温30004000.5700k是什么意思
- ledlcd区别,led和lcd的区别在哪里
- 快门的作用有哪些,快门的主要作用控制被拍摄物体的清晰度
- 家用led灯泡一般多少瓦合适,家用led节能灯泡一般多少瓦合适
- 单反相机色温怎么设置,单反色温怎么调
- led灯的优点,led灯的优点有哪些
- 如何调节色温使蓝光最低,如何降低日光灯亮度
- 白炽灯的色温是多少,白炽灯属于哪种光源
特别声明:本站内容均来自网友提供或互联网,仅供参考,请勿用于商业和其他非法用途。如果侵犯了您的权益请与我们联系,我们将在24小时内删除。
