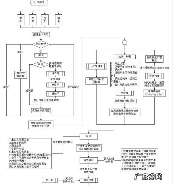
出口流程就是外贸出口工作人员在出口工作中所进行的一系列活动的有序组合 。 包括了报价、订货、付款、包装、通关手续及备货装运等活动 。 如图是外贸出口流程图中最常见的一种:

文章插图
完整的外贸出口流程
1、报价
在国际贸易中一般是由产品的询价、报价作为贸易的开始 。 其中 , 对于出口产品的报价主要包括:产品的质量等级、产品的规格型号、产品是否有特殊包装要求、所购产品量的多少、交货期的要求、产品的运输方式、产品的材质等内容 。 现在市场上比较常件的报价有: FOB“船上交货”、CNF“成本加运费”、CIF“成本、保险费加运费”等形式 。
2、订货(签约)
贸易双方就报价达成意向后 , 买方企业正式订货并就一些相关事项与卖方企业进行协商 , 双方协商认可后 , 需要签订《购货合同》 。 在签订《购货合同》过程中 , 主要对商品名称、规格型号、数量、价格、包装、产地、装运期、付款条件、结算方式、索赔、仲裁等内容进行商谈 , 并将商谈后达成的协议写入《购货合同》 。 通常情况下 , 签订购货合同一式两份 , 由双方盖本公司公章生效 , 双方各保存一份 。
3、付款方式
比较常用的国际付款方式有三种 , 即信用证付款方式、电汇付款方式和直接付款方式 。
4、备货
备货在整个贸易流程中 , 起到举足轻重的重要地位 , 须按照合同逐一落实 。 备货的主要核对内容如下:
(1)货物品质、规格 , 应按合同的要求核实 。
(2)货物数量:保证满足合同或信用证对数量的要求 。
(3)备货时间:应根据信用证规定 , 结合船期安排 , 以利于船货衔接 。
5、包装
您可以根据货物的不同 , 来选择包装形式(如:纸箱、木箱、编织袋等) 。 不同的包装形式其包装要求也有所不同 。
6、通关手续
通关手续极为烦琐又极其重要 , 如不能顺利通关则无法完成交易 。
6、装船
在货物装船过程中 , 您可以根据货物的多少来决定装船方式 , 并根据《购货合同》所定的险种来进行投保 。 可选择:
1、整装集装箱(也叫整柜出货)
2、拼装集装箱 (也叫拼柜 , 走散货):拼装集装箱 , 一般按出口货物的体积货重量计算运费 。
一般货好前就可以联系好船公司或货代 , 以便提前安排好船位 。 货好后根据船公司给的入仓纸 , 安排拖车公司的司机去码头拖柜并把柜送到工厂 。 在工厂装好柜后就把货送到码头指定位置 , 同时要把最正确的装箱单给到报关员以便他们报关 , 并把柜号 , 封条号和packing list等资料给到货代或船公司(和谁订柜/订仓就给谁) , 以便他们做提单 。
8、运输保险
通常双方在签定《购货合同》中已事先约定运输保险的相关事项 。 常见的保险有海洋货物运输保险、陆空邮货运输保险等 。 其中 , 海洋运输货物保险条款所承保的险别 , 分为基本险别和附加险别两类 。
9、提单
提单是出口商办理完出口通关手续、海关放行后 , 由外运公司签出、供进口商提货、结汇所用单据 。 所签提单根据信用证所提要求份数签发 , 一般是三份 。 出口商留二份 , 办理退税等业务 , 一份寄给进口商用来办理提货等手续 。
特别声明:本站内容均来自网友提供或互联网,仅供参考,请勿用于商业和其他非法用途。如果侵犯了您的权益请与我们联系,我们将在24小时内删除。
