指令的顺序予以体现 。一般讲,其顺序为:先输入,后输出(含其他处理);先上,后下;先左,后右 。有了梯形图就可将其翻译成助记符程序 。上图的助记符程序为:

文章插图
反之根据助记符,也可画出与其对应的梯形图 。梯形图与电气原理图的关系:如果仅考虑逻辑控制,梯形图与电气原理图也可建立起一定的对应关系 。
如梯形图的输出(OUT)指令,对应于继电器的线圈,而输入指令(如LD,AND,OR)对应于接点,互锁指令(IL、ILC)可看成总开关,等等 。这样,原有的继电控制逻辑,经转换即可变成梯形图,再进一步转换,即可变成语句表程序 。有了这个对应关系,用PLC程序代表继电逻辑是很容易的 。这也是PLC技术对传统继电控制技术的继承 。
§3 编程器件
下面我们着重介绍三菱公司的FX2N系列产品的一些编程元件及其功能 。
FX系列产品,它内部的编程元件,也就是支持该机型编程语言的软元件,按通俗叫法分别称为继电器、定时器、计数器等,但它们与真实元件有很大的差别,一般称它们为“软继电器” 。这些编程用的继电器,它的工作线圈没有工作电压等级、功耗大小和电磁惯性等问题;触点没有数量限制、没有机械磨损和电蚀等问题 。它在不同的指令操作下,其工作状态可以无记忆,也可以有记忆,还可以作脉冲数字元件使用 。一般情况下,X代表输入继电器,Y代表输出继电器,M代表辅助继电器,SPM代表专用辅助继电器,T代表定时器,C代表计数器,S代表状态继电器,D代表数据寄存器,MOV代表传输等 。
一、输入继电器?(X)
PLC的输入端子是从外部开关接受信号的窗口,PLC?内部与输入端子连接的输入继电器X是用光电隔离的电子继电器,它们的编号与接线端子编号一致(按八进制输入),线圈的吸合或释放只取决于PLC外部触点的状态,内部有常开/常闭两种触点供编程时随时使用,且使用次数不限 。输入电路的时间常数一般小于10ms,输入为X000?~?X007,X010?~X017,X020?~X027? 。它们一般位于机器的上端 。
二、
输出继电器(Y)
PLC的输出端子是向外部负载输出信号的窗口 。输出继电器的线圈由程序控制,输出继电器的外部输出主触点接到PLC的输出端子上供外部负载使用,其余常开/常闭触点使用次数不限 。输出电路的时间常数是固定的? 。各基本单元都是八进制输出,输出为Y000?~Y007,Y010~Y017,Y020~Y027? 。它们一般位于机器的下端 。
三、
辅助继电器(M)
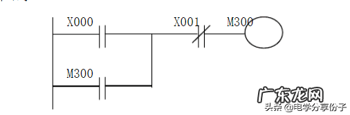
LC内有很多的辅助继电器,其线圈与输出继电器一样,由PLC内各软元件的触点驱动 。辅助继电器也称中间继电器,它没有向外的任何联系,只供内部编程使用 。它的电子常开/常闭触点使用次数不受限制 。但是,这些触点不能直接驱动外部负载,外部负载的驱动必须通过输出继电器来实现 。如下图中的M300,它只起到一个自锁的功能 。在FX2N中普遍途采用M0~M499,共500点辅助继电器,其地址号按十进制编号 。辅助继电器中还有一些特殊的辅助继电器,如掉电继电器、保持继电器等,在这里就不一一介绍了 。

文章插图
四、
定时器(T)
在PLC内的定时器是根据时钟脉冲的累积形式,当所计时间达到设定值时,其输出触点动作,时钟脉冲有1ms、10ms、100ms 。定时器可以用用户程序存储器内的常数K作为设定值,也可以用数据寄存器(D)的内容作为设定值 。在后一种情况下,一般使用有掉电保护功能的数据寄存器 。即使如此,若备用电池电压降低时,定时器或计数器往往会发生误动作 。定时器通道范围如下:
- 郑州室内设计专业学校 郑州室内设计培训学校
- 邯郸金口才培训儿童教育 金口才培训学校
- 长沙有没有日语培训学校 长沙日语培训哪家好
- 服装销售技巧和话术 服装销售培训课程
- 深圳瑜伽培训 深圳学瑜伽教练
- 上海有哪些舞蹈学校 上海舞蹈培训学校
- 竞价培训课程 竞价培训教程
- 动画影视培训学校
- 新东方英语口语网课 新东方英语口语培训课程
- 新员工培训方案
特别声明:本站内容均来自网友提供或互联网,仅供参考,请勿用于商业和其他非法用途。如果侵犯了您的权益请与我们联系,我们将在24小时内删除。
