
文章插图
湖边别墅,看了心情也舒畅 效果图湖边别墅,看了心情也舒畅 一层平面图

文章插图
湖边别墅,看了心情也舒畅 二层平面图

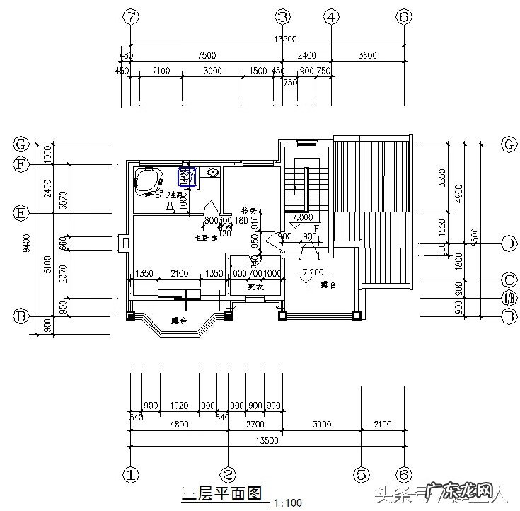
文章插图
湖边别墅,看了心情也舒畅 三层平面图
【湖边别墅好不好】

文章插图
- 坐未向丑兼丁癸好不好 坐丁兼未什么意思
- 家里种无花果风水好吗 家里种无花果风水好不好
- 昆明犬家养好不好 昆明犬适合农村家养吗
- 多层楼几楼是好楼层 多层楼好不好
- 饭店开在十字路口好不好 十字路口开餐饮风水
- 淘宝上加入店铺会员好不好
- 风水尺350mm好不好 风水尺82厘米
- 小区西边有河流好不好 小区西面有河风水
- 床头黑色风水好不好 床头贴黑壁纸好不好
- 卧室床头朝向哪里最好风水 床尾朝窗户好不好?
特别声明:本站内容均来自网友提供或互联网,仅供参考,请勿用于商业和其他非法用途。如果侵犯了您的权益请与我们联系,我们将在24小时内删除。
