
文章插图
先从 R D 端送低电平清零 , 使寄存器成 0000 状态 。假定要输入的数码是 1001 , 输入的次序是先高后低逐位输入 。第 1 个 CP 后 , 1 被打入第 1 个触发器 , 寄存器成 0001 ;第 2 个 CP 后 , Qo 的 1 被移入 Q 1 , 新的 0 打入 D 1 , 成为 0010 ;第 3 个 CP 后 , 成为 0100 ;第 4 个 CP 后 , 成为 1001。
可见经过 4 个 CP , 寄存器就寄存了 4 位二进制码 1001。目前已有品种繁多的集成化寄存器供选用 。
计数器和分频器
( 1 )计数器
能对脉冲进行计数的部件叫计数器 。计数器品种繁多 , 有作累加计数的称为加法计数器 , 有作递减计数的称为减法计数器;按触发器翻转来分又有同步计数器和异步计数器;按数制来分又有二进制计数器、十进制计数器和其它进位制的计数器等等 。
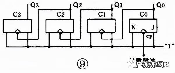
现举一个最简单的加法计数器为例 , 见图 9。它是一个 16 进制计数器 , 最大计数值是 1111 , 相当于十进制数 15。需要计数的脉冲加到最低位触发器的 CP 端上 , 所有的 J 、 K 端都接高电平 1 , 各触发器 Q 端接到相邻高一位触发器的 CP 端上 。J—K 触发器的特性表告诉我们:当 J=1 、 K=1 时来一个 CP , 触发器便翻转一次 。在全部清零后 , ① 第 1 个 CP 后沿 , 触发器 C0 翻转成 Q0=1 , 其余 3 个触发器仍保持 0 态 , 整个计数器的状态是 0001。② 第 2 个 CP 后沿 , 触发器 C0 又翻转成“ Q0=0 , C1 翻转成 Q1=1 , 计数器成 0010。…… 到第 15 个 CP 后沿 , 计数器成 1111。可见这个计数器确实能对 CP 脉冲计数 。

文章插图
2 )分频器
计数器的第一个触发器是每隔 2 个 CP 送出一个进位脉冲 , 所以每个触发器就是一个 2 分频的分频器 , 16 进制计数器就是一个 16 分频的分频器 。
为了提高电子钟表的精确度 , 普遍采用的方法是用晶体振荡器产生 32768 赫标准信号脉冲 , 经过 15 级 2 分频处理得到 1 赫的秒信号 。因为晶体振荡器的准确度和稳定度很高 , 所以得到的秒脉冲信号也是精确可靠的 。把它们做到一个集成片上便是电子手表专用集成电路产品 , 见图 10。

文章插图
数字逻辑电路读图要点和举例
数字逻辑电路的读图步骤和其它电路是相同的 , 只是在进行电路分析时处处要用逻辑分析的方法 。读图时要:① 先大致了解电路的用途和性能 。② 找出输入端、输出端和关键部件 , 区分开各种信号并弄清信号的流向 。③ 逐级分析输出与输入的逻辑关系 , 了解各部分的逻辑功能 。④ 最后统观全局得出分析结果 。
例 1 三路抢答器
图 11 是智力竞赛用的三路抢答器电路 。裁判按下开关 SA4 , 触发器全部被置零 , 进入准备状态 。这时 Q1 ~ Q3 均为 1 , 抢答灯不亮;门 1 和门 2 输出为 0 , 门 3 和门 4 组成的音频振荡器不振荡 , 扬声器无声 。

文章插图
竞赛开始 , 假定 1 号台抢先按下 SA1 , 触发器 C1 翻转成 Q1=1 、 Q1=0。于是:① 门 2 输出为 1 , 振荡器振荡 , 扬声器发声;②HL1 灯点亮;③ 门 1 输出为 1 , 这时 2 号、 3 号台再按开关也不起作用 。裁判宣布竞赛结果后 , 再按一下 SA4 , 电路又进入准备状态 。
- 雷丁电动d70i是油电混合吗
- 益智玩具制作 益智玩具网站
- 荣威e50纯电动汽车电瓶能用多长时间
- 哪里买纯电动汽车奥迪系列的 奥迪有纯电动汽车吗
- 电动修脚器产品宣传口号
- 增程式电动汽车的优点是什么
- 什么是声波电动牙刷 声波震动牙刷好用吗
- 小轿车年检需要带什么东西 小轿车年检需要带什么
- 全景天窗和电动天窗的区别
- 比亚迪唐有纯电动的么 比亚迪唐纯电动怎么样
特别声明:本站内容均来自网友提供或互联网,仅供参考,请勿用于商业和其他非法用途。如果侵犯了您的权益请与我们联系,我们将在24小时内删除。
