( 2 )脉冲启动型单稳
把 555 电路的 6 、 7 端并接起来接到定时电容 C T 上 , 用 2 端作输入就成为脉冲启动型单稳电路 , 见图 4 ( a ) 。电路的 2 端平时接高电平 , 当输入接低电平或输入负脉冲时才启动电路 。用等效触发器替代 555 电路后可画成图 4 ( b ) 。这个电路利用放电端使定时电容能快速放电 。下面分析它的工作状态:

文章插图
① 稳态:通电后 , R=1 ,

文章插图
=1 , 输出 V o =0 , DIS 端接地 , C T 上电压为 0 即 R=0 , 输出仍保持 V o =0 , 这是它的稳态 。
② 暂稳态:输入负脉冲后 , 输入

文章插图
=0 , 输出翻转成 V o =1 , DIS 端开路 , 电源通过 R T 向 C T 充电 , 暂稳态开始 。经过 t d 后 , C T 上电压升到> 2 /3 V DD , 这时负脉冲已经消失 , 输入又成为 R=1 ,

文章插图
=1 , 输出又翻转成 V o =0 , 暂稳态结束 。这时内部放电开关接通 , DIS 端接地 , C T 上电荷很快放到零 , 为下一次定时控制作准备 。电路的定时时间 t d =1.1R T C T。
这两种单稳电路常用作定时延时控制 。
555 双稳电路
常见的 555 双稳电路有两种 。
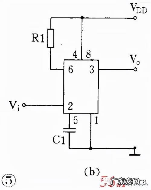
( 1 ) R-S 触发器型双稳把 555 电路的 6 、 2 端作为两个控制输入端 , 7 端不用 , 就成为一个 R - S 触发器 。要注意的是两个输入端的电平要求和阈值电压都不同 , 见图 5 ( a ) 。有时可能只有一个控制端 , 这时另一个控制端要设法接死 , 根据电路要求可以把 R 端接到电源端 , 见图 5 ( b ) , 也可以把 S 端接地 , 用 R 端作输入 。

文章插图

文章插图
有两个输入端的双稳电路常用作电机调速、电源上下限告警等用途 , 有一个输入端的双稳电路常作为单端比较器用作各种检测电路 。
( 2 )施密特触发器型双稳
把 555 电路的 6 、 2 端并接起来成为只有一个输入端的触发器 , 见图 6 ( a ) 。这个触发器因为输出电压和输入电压的关系是一个长方形的回线形 , 见图 6 ( b ) , 所以被称为施密特触发器 。从曲线看到 , 当输入 V i =0 时输出 V o =1。当输入电压从 0 上升时 , 要升到> 2/ 3 V DD 以后 , V o 才翻转成 0。而当输入电压从最高值下降时 , 要降到 < 1 /3 V DD 以后 , V o 才翻转成 1。所以输出电压和输入电压之间是一个回线形曲线 。由于它的输入有两个不同的阈值电压 , 所以这种电路被用作电子开关 , 各种控制电路 , 波形变换和整形的用途 。

文章插图

文章插图
555 无稳电路
无稳电路有 2 个暂稳态 , 它不需要外触发就能自动从一种暂稳态翻转到另一种暂稳态 , 它的输出是一串矩形脉冲 , 所以它又称为自激多谐振荡器或脉冲振荡器 。555 的无稳电路有多种 , 这里介绍常用的 3 种 。
- 雷丁电动d70i是油电混合吗
- 益智玩具制作 益智玩具网站
- 荣威e50纯电动汽车电瓶能用多长时间
- 哪里买纯电动汽车奥迪系列的 奥迪有纯电动汽车吗
- 电动修脚器产品宣传口号
- 增程式电动汽车的优点是什么
- 什么是声波电动牙刷 声波震动牙刷好用吗
- 小轿车年检需要带什么东西 小轿车年检需要带什么
- 全景天窗和电动天窗的区别
- 比亚迪唐有纯电动的么 比亚迪唐纯电动怎么样
特别声明:本站内容均来自网友提供或互联网,仅供参考,请勿用于商业和其他非法用途。如果侵犯了您的权益请与我们联系,我们将在24小时内删除。
