( 1 )直接反馈型 555 无稳
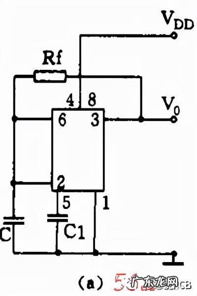
利用 555 施密特触发器的回滞特性 , 在它的输入端接电容 C  , 再在输出 V 0 与输入之间接一个反馈电阻 R f  , 就能组成直接反馈型多谐振荡器 , 见图 7 ( a ) 。用等效触发器替代 555 电路后可画成图 7 ( b ) 。现在来看看它的振荡工作原理:

文章插图

文章插图

文章插图
刚接通电源时 , C 上电压为零 , 输出 V 0 =1。通电后电源经内部电阻、 V 0 端、 R f 向 C 充电 , 当 C 上电压升到> 2 /3 V DD 时 , 触发器翻转 V 0 =0 , 于是 C 上电荷通过 R f 和 V 0 放电入地 。当 C 上电压降到< 1 /3 V DD 时 , 触发器又翻转成 V 0 =1。电源又向 C 充电 , 不断重复上述过程 。由于施密特触发器有 2 个不同的阀值电压 , 因此 C 就在这 2 个阀值电压之间交替地充电和放电 , 输出得到的是一串连续的矩形脉冲 , 见图 7 ( c ) 。脉冲频率约为 f=0.722 / R f C。
( 2 )间接反馈型无稳
另一路多谐振荡器是把反馈电阻接在放电端和电源上 , 如图 8 ( a ) , 这样做使振荡电路和输出电路分开 , 可以使负载能力加大 , 频率更稳定 。这是目前使用最多的 555 振荡电路 。

文章插图
这个电路在刚通电时 , V 0 =1 , DIS 端开路 , C 的充电路径是:电源 →R A →DIS→R B →C , 当 C 上电压上升到> 2 /3 V DD 时 , V 0 =1 , DIS 端接地 , C 放电 , C 放电的路径是:C→R B →DIS→ 地 。可以看到充电和放电时间常数不等 , 输出不是方波 。t 1 =0.693 ( R A + B B ) C 、 t 2 =0.693R B C , 脉冲频率 f=1.443 /( R A + 2R ) C
( 3 ) 555 方波振荡电路
要想得到方波输出 , 可以用图 9 的电路 。它是在图 8 的电路基础上在 R B 两端并联一个二极管 VD 组成的 。当 R A =R B 时 , C 的充放电时间常数相等 , 输出就得到方波 。方波的频率为 f=0.722 / R A C ( R A =R B )

文章插图
在这个电路的基础上 , 在 R A 和 R B 回路内增加电位器以及采用串联或并联二极管的方法可以得到占空比可调的脉冲振荡电路 。
555 脉冲振荡电路常被用作交流信号源 , 它的振荡频率范围大致在零点几赫到几兆赫之间 。因为电路简单可靠 , 所以使用极广 。
555 电路读图要点及举例
555 集成电路经多年的开发 , 实用电路多达几十种 , 几乎遍及各个技术领域 。但对初学者来讲 , 常见的电路也不过是上述几种 , 因此在读图时 , 只要抓住关键 , 识别它们是不难的 。
从电路结构上分析 , 三类 555 电路的区别或者说它们的结构特点主要在输入端 。因此当我们拿到一张 555 电路图时 , 在大致了解电路的用途之后 , 先看一下电路是 CMOS 型还是双极型 , 再看复位端(

文章插图
- 雷丁电动d70i是油电混合吗
- 益智玩具制作 益智玩具网站
- 荣威e50纯电动汽车电瓶能用多长时间
- 哪里买纯电动汽车奥迪系列的 奥迪有纯电动汽车吗
- 电动修脚器产品宣传口号
- 增程式电动汽车的优点是什么
- 什么是声波电动牙刷 声波震动牙刷好用吗
- 小轿车年检需要带什么东西 小轿车年检需要带什么
- 全景天窗和电动天窗的区别
- 比亚迪唐有纯电动的么 比亚迪唐纯电动怎么样
特别声明:本站内容均来自网友提供或互联网,仅供参考,请勿用于商业和其他非法用途。如果侵犯了您的权益请与我们联系,我们将在24小时内删除。
